English
中文
搜索
首页
关于富华
集团简介
集团简介
品牌文化
富华品牌理念
集团成员
集团成员
技术实力
技术实力
企业荣耀
企业荣誉
集团视频
集团视频
企业公告
企业新闻
企业新闻
行业动态
行业动态
企业招标
暂无记录
江南(中国)
挂车系统
VALX系列车轴
卡车系统
单级减速驱动桥
工程车系统
16.8吨工程车后桥
集装箱
陆运分体式轻型拖车冷藏箱
原厂配件
车轴配件
江南·官方端网站登录入口
富华江南·官方端网站登录入口
富华江南·官方端网站登录入口
产品使用手册
产品使用说明书
VALX 学堂
VALX 学堂
挂车使用常识
用车常识
售后服务网点
售后服务网点
产品防伪查询
产品防伪查询
资料下载中心
资料下载中心
投 诉 与 建 议
投诉与建议
江南(中国)
采购公告
采购公告
人才招聘
人才招聘
加盟我们
加盟我们
联系方式
联系方式
首页
>
江南·官方端网站登录入口
>
产品使用手册
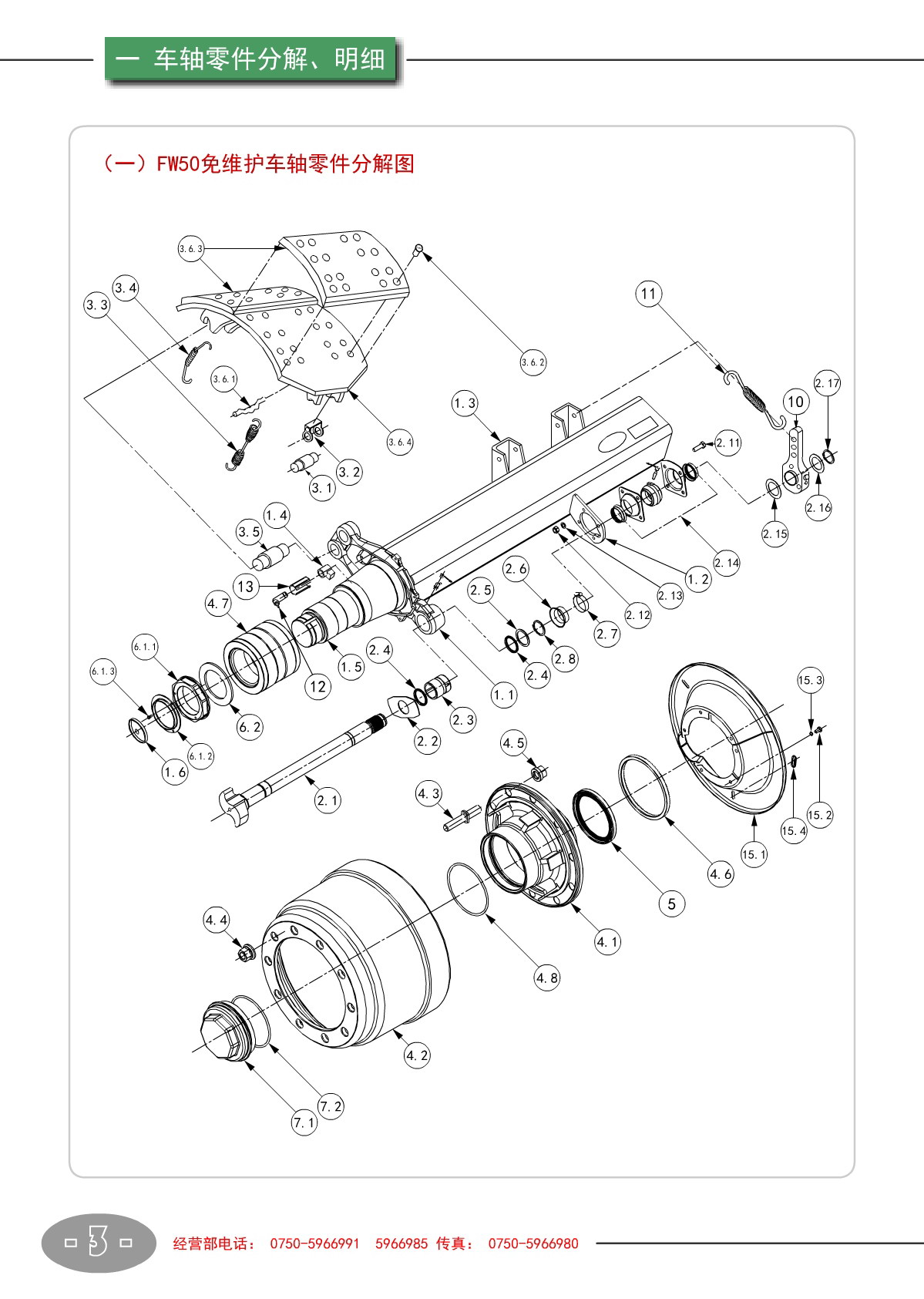
FW50免维护车轴【产品使用说明书】
发布时间:2017-02-21 17:14:21
分享:
上一篇:鞍座 · 牵引销【产品使用说明书】
下一篇:FW13耐磨板簧悬挂【产品使用说明书】
开云·电子(中国)官方网站
|
OD在线
|
开云电子
|
威客电竞(vk)·电子竞技赛事官网
|
jbo竞博·电竞官网(中国)有限公司
|
OD电竞
|
安博电子官方网站
|
首页 | 尊龙集团中国官方网站
|
大江电子
|